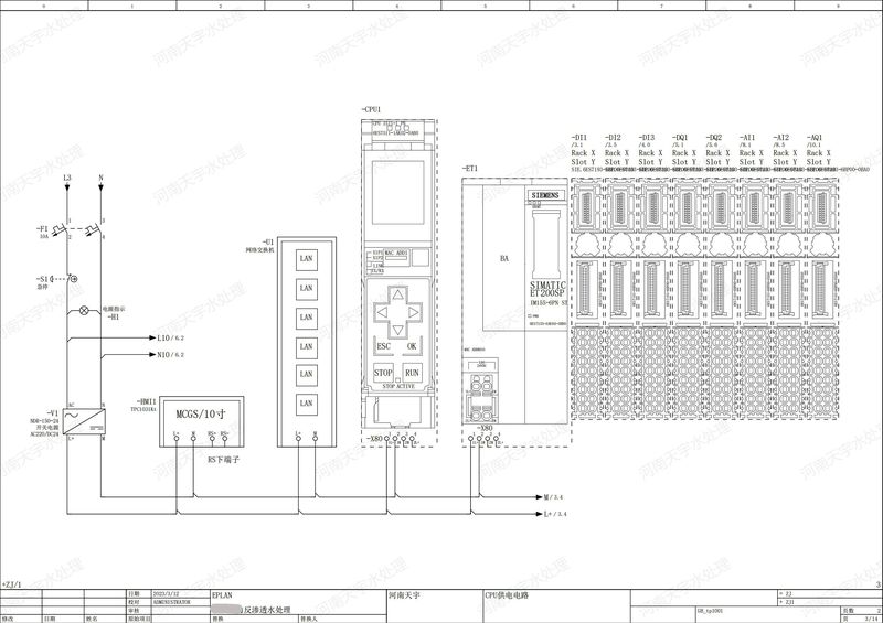
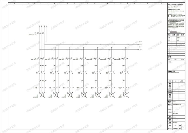
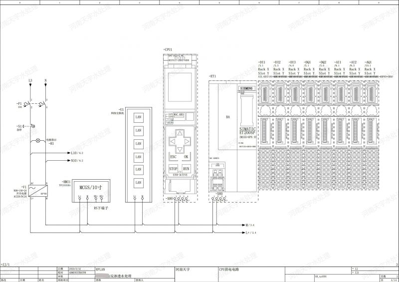
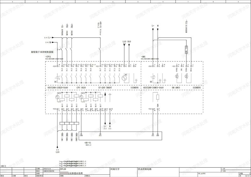
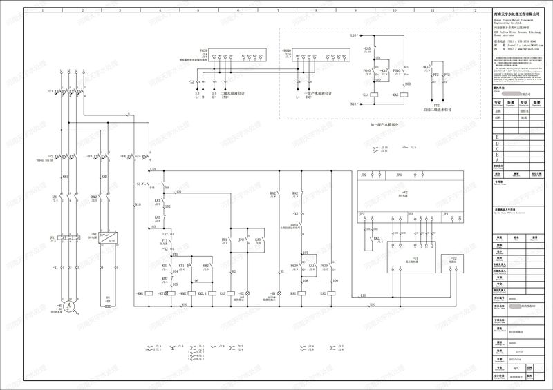
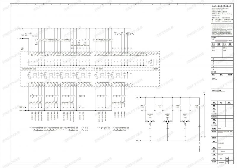
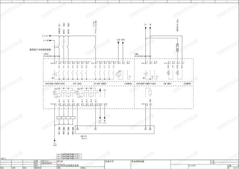
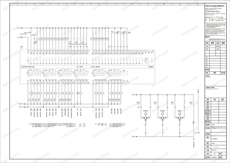
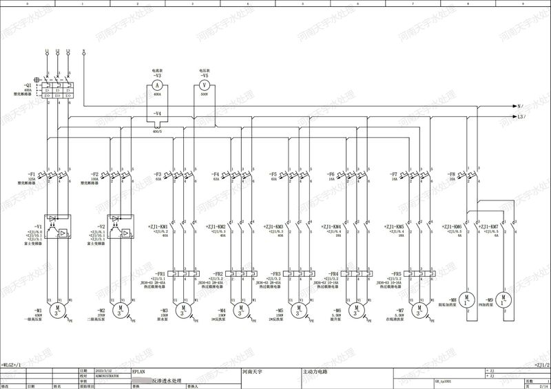
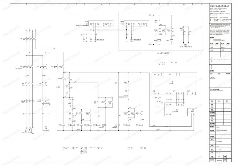
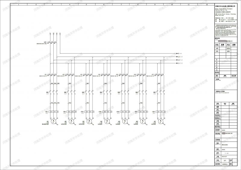
廢水處理工程 --(MBR動力部分)
電氣設計
若您發現河南天宇水處理銷售人員態度差、不專業,施工人員素質問題,施工質量問題,整體售后體驗差,
歡迎您撥打河南天宇 監督投訴電話:0373-5799999,
接到投訴后,我們會立即受理,盡快解決您的問題,
并對相關人員進行嚴厲處罰,加大整頓力度,保障您的權益,歡迎您的監督??!
若您發現河南天宇水處理銷售人員態度差、不專業,施工人員素質問題,施工質量問題,整體售后體驗差,
歡迎您撥打河南天宇 監督投訴電話:0373-5799999,
接到投訴后,我們會立即受理,盡快解決您的問題,
并對相關人員進行嚴厲處罰,加大整頓力度,保障您的權益,歡迎您的監督??!
版權所有 河南天宇水處理工程有限公司 備案號:豫ICP備15007830號-5

![]()
聯系我們
24小時咨詢熱線:立即撥打電話,獲取解決方案,以及全套設備報價單!
185-0373-9988

掃二維碼 添加微信
詳細咨詢